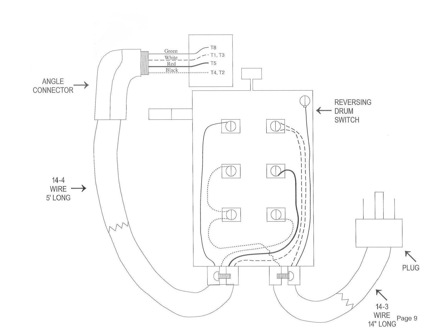
National Equipment #56 Mobil Lift (Iron Horse) Replacement Parts

National Flooring Equipment

National Equipment #56 Mobil Lift (Iron Horse) Replacement Parts

$0.00
We have parts and can service & repair all National Machines. Call us Toll-Free

877-222-4477

CLICK HERE for the National 56 Mobil Lift Service Manual & Replacements Parts List
Quantity